
د stm86s103f3p6 د سټیمیک ډیزاینر لخوا د 8 بټ مایکروکیکونټر تولید شوی دی چې د هغې د اغیزمنو کړنو او بې محاذک ادغام لپاره مشهور دی.دا کمپيټیک وسیله د سطحې انډر شوي وسیلې (SMD) په سطحه کې مجهز کوي، د پرمختللي کور او پالمونو څخه د قطع کولو ټیکنالوژۍ په کارولو سره په تدریجي ډول تولیدیږي.د 16 MHZ، STM8S10f3p6 ساعتونو سره د یوه لفظي فریکونسۍ سره، د STM80F3P6 د قوي معلوماتو پروسس او اداره کول تضمینوي.د دې خپلواک څارونکي ټایمز، د خپلواک ساعت ساعت سرچینه او د ساعت امنیت سیسټم سره مجهز دی، د احتمالي خنډونو په وړاندې د مناسب وسیلې فعالیت او هراشیت تضمین کوي.
د هغې یو اړخیز ب features ې د هغې فلش حافظه ده، کوم چې د کوډ او ډاټا لپاره غیر اراصله ذخیره چمتو کوي.د عملیاتي ولټاژ رنځ سره تر 5.95 V څخه تر 5.95 پورې، دا مایکروکیکرونونټلر خورا تی لرونکی او مختلف غوښتنلیکونو ته د منلو وړ دی.سربیره پردې، دا د Afghan 405 ° C پراخه عملیاتي تودوخې ته پراخه عملیاتي تودوخې وړاندې کوي، دا د چاپیریال شرایطو کې د ګمارلو لپاره مناسب دی.
• msp430ګ 2353
• pic16ll184444444


د ټیټ بریښنا مصرف: دا د ټیټ بریښنا مصرفي حالتونه غوره کوي، پشمول د بیکار حالت، د خوب حالت، ژور خوب او لرې انرژي خوندي کولی شي.
لوړه کړنه: دا د لوړ فعالیت سټیم اساسي مارکیټ غوره کوي، کوم چې عملیاتي فریکوز ته اجازه ورکوي چې زموږ د غوښتنلیکونو لپاره ډیر اغیزمن کمپیوټري وړتیاوې ښه کړي او ډیر اغیزمن محاسبه کوي.
د مخابراتو ګ multiple انقافسونه: دا د سپای (سریال پښه انٹرفیس کې د مختلف مخابراتو ضد حمید ملاتړ کوي)، I2C او URART.د دې انٹرفیس له لارې، دا کولی شي په اسانۍ سره اړیکه ونیسي او د ډیرو دندو او غوښتنلیکونو ترلاسه کولو لپاره د بهرني وسیلو سره اړیکه ونیسي.
د سپمرشینجلز: STM8S103F3P6 مایکروکراټلر په پراخه کچه سرچینې لري، په عمومي ډول د ګپیو پن، وخت، او ګورې.د دې پیریسلونو تنوع د مختلف غوښتنلیک د سناریوګانو لپاره مناسب وسیله رامینځته کوي او د مختلف برخو او صنعتونو اړتیاوې پوره کولی شي.که چیرې دا صنعتي کنټرول وي، سمارټ کور، یا جلا شوي سیسټمونه، stm8s103f66 کولی شي ملاتړ چمتو کړي.

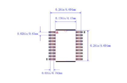
stm88s103f3p6 په پیکي کمولو کې بسته شوی کڅوړه کې بسته شوې (TSSOP) او 20 پنونه لري.بدن او مخکښ واټن د معیاري عالي کڅوړو څخه کوچنی دی.د TSSUP ځانګړی ب feature ه د بسته شوي چپ شاوخوا د پنونو رامینځته کول دي، کوم چې دا د SMT ټیکنالوژۍ په کارولو سره د PCBs مزي لپاره مناسب ګرځي.کله چې د TSSPP بسته کاروي، د پرازیتیک پیرامیټونه (د تولید ولټاژ ګډوډي) کوچني دي، نو دا کوچني دي، نو دا د لوړې فریکونسۍ غوښتنلیکونو لپاره مناسب دی.دا ډول بسته د چلولو لپاره خورا اسانه ده او لوړه کچه لري.
د TSSP کڅوړه لاندې ب features ې لري:
• کوچني پن سپور: د پن سپک کول عموما 0.5mm یا 0.65 ملي میتر دی.د سرکټ بورډ مسو له لارې، ډیر وسایل د ورته سیمې او اندازې سره د سرک بورډ کې کیښودل کیدی شي.
د غوښتنلیک پراخه کچه: دا د غوښتنلیک مختلف برخو کې د ورته په څیر پلي کیدی شي لکه مایکروپټالرونه، د حافظې چپس، او د بریښنا رسولو چپس.
• لوړه PIN شمیره: د پنونو شمیر عموما د 20 څخه تر 64 پورې وي، کوم چې کولی شي د چپ ادغام ځینې اړتیاوې پوره کړي.
• د کوچنۍ کڅوړې اندازه: د عادي کوچني لاین (نو) کڅوړو سره پرتله کول، ضخامت پتلی پروت دی، د لوړې کثافت شوي سرکټ بسته بندي کولو لپاره مناسب دی.
• لوړه کړنه
غیر لدې چې نور مشخص شوي وي، ټول ولیزونه VSS ته راجع کیږي.
لږترلږه او اعظمي ارزښتونه د خورا منفي شرایطو لاندې تضمین کیږي،، د محیرارارافاتوثي تودوخې په څښلو کې، ولټاژ، او فریکونسي.دا تضمینونه د بریښنا په 100٪ برخه کې د سخت تولیداتو له لارې ترسره شوي ازموینې له لارې رامینځته شوي، چې د AT = 25 ° C او TO = تامایکس (لکه څنګه چې د غوره تودوخې لړۍ سره ترسره کیږي).
د ځانګړتیا کولو پایلو، د ډیزاین سمونو پراساس ارزښتونه، او / یا تخنیکي ځانګړتیاوې په میز فوټونو کې یادونه شوې او د تولید ازموینې ته یې نه دی کړی.د پیژندنې په اړه، لږترلږه او اعظمي ارزښتونو پورې اړه لري د نمونې ارزونې پورې اړه لري او د جمع یا منفي درې ځله د معیاري انحراف سره د معیاري انحراف سره د معیاري انحراف سره توپیر څرګندوي (معنی یې).
غیر لدې چې په سمه توګه بیان شي، معیاري معلومات د T = 25 ° C سره رامینځته کیږي د ډیزاین حوالې په توګه چمتو شوي او نه لوستل شوي.
د ADC ارزښتونو معمولي درستیت د معیاري تحرک څخه د بشپړ تودوخې حد په اوږدو کې د نمونې توضیحات د ځانګړتیاو له لارې رامینځته کیږي.پدې برخه کې، د وسایلو 95٪ وسیلې په ټاکل شوي ارزښت کې یوه تېروتنه ښیې (په مانا ± 2σ).
غیر لدې چې په ځانګړي ډول ونه په نښه شوی، ټول معیاري ګرافونه یوازې د ډیزاین حوالې په توګه مشخص شوي او د ازموینې تابع ندي.
د ټاکل شوي مطلق اعظمي نرخ څخه ډیر کیدی شي وسیله ته دایمي زیان لامل شي.دا درجه بندي یوازې د فشار محدودیتونه په ګوته کوي چې وسیله کولی شي دوام ومومي، او دا په نه پوهیږي چې وسیله به د دې شرایطو لاندې کار وکړي.په شرایطو کې یا نږدې د اعظمي حد اقلیتونو ته زیان رسوي کولی شي د آلې په اعتبار منفي اغیزه وکړي.
د وسیلې د ماموریت پروفایل، کوم چې د دې غوښتنلیک شرایط په ګوته کوي، د JEDEC jod4D47 وړتیا معیاري، د غوښتنې غړیتوب معیار سره، د غوښتنې غزول شوي پروفایلونو سره شتون لري.
د لومړني تنظیم کونکي لپاره ثبات ترلاسه کولو لپاره، د بهرني کاپیرټ لیبټل لیبټټل لیبټیکشن باید د VCAP پن سره وصل شي.دا د دې ډاډ ترلاسه کولو لپاره لازمي دي چې د لړۍ انډولډینټ د 15 NH څخه ښکته وي.
اوسنی مصرف اندازه کیږي لکه څنګه چې لاندې عکس کې ښودل شوي.

په منډه حالت کې د ټول تحویلي اوسني مصرف
MCU د لاندې شرایطو لاندې نیول شوی:
• ټولې پردې نافعالې دي (ساعت د پیریټل ساعت ګیټ پیرلوژیک راجستر) پرته له دې چې په ښکاره ډول یادونه وشوه.
• ټول د I / O پین د ننوت شوي ارزښت سره په VDD یا VSS (هیڅ بار نه) سره
د VDD او T لپاره د عمومي عملیاتي شرایطو تابع.

stm88s103f3p6 20 پنونه لري، د PAP نومونه او فعالیتونه په لاندې ډول دي:
Pen1 (PD4 / BUP2_ CH1 / URT1 _ چیک)
PIN2 (PD5 / Ain5 / uort1 _TX): 30 بند D5
PIN3 (PD6 / Ain6 / Uart1 _RX): 30 هیسل D6
پن4 (NRRT): بیا تنظیمول
پن5 (PA1 / OSCIN): 30 بندر
PIN6 (PA2 / OSCOout): بندر A2
پنز 3 (VSS): ډیجیټل ځمکې
پن8 (VCAP): 1.8 V تنظیم کونکي ظرفیتټر
پن9 (vdd): د ډیجیټل بریښنا تحویلۍ
PIN10 (PA3 / ټیم2_ CH3 [SPI_ NSS]: د پورټ A3
PIN11 (PB5 / I2C_ SDA [ټیم 1_ بایسین]: 30 بندر
PIN12 (PB4 / I2C_CL): هستe B4
Pun13 (PC3 / ټیم11_CH3 [TMI] [ټیم 1_ CH1N]): پورټ C3
Pun14 (PC4 / CLK_CCO / THE1CO / TH4 / AIN2 [ټیم 1 ch2en]:
PIN5 (PC5 / SPI_SCCK [Two2_ ch1]): پورټ C5
Pot16 (PC6 / SPI_MOSI [ټیم1_ ch1]): Conade C6
Pun17 (PC7 / SPI_MISIO [ټیم1_ ch2]): پورټ C7
Pot18 (PD1 / لامبو): سټارټ D1
Pan19 (PD2 / Ain3 / [twar3_ ch3]))
پن20 (PD3 / ANIN4 / ټیم 2_ CH2 / ADC_ ETR): غوره D3
لکه څنګه چې په پورتنۍ شکل کې ښودل شوي، د STM8S103F3P6 چپ تر 16 I / O کنگونو پورې چې د ADPI، AN / پنونو لپاره کارول کیدی شي د داوطلبۍ لپاره داوطلبانه وي او کیدی شيد بهرني سیګنالونو یا د وتلو پنونو لوستلو لپاره د انکسټ پنونو په توګه کارول کیږي یا د وتلو پنونه بهرني وسیلو ته د سیګنالونو لیږلو لپاره.سربیره پردې، هر I / O پن کولی شي په خپلواک ډول مداخله په خپلواک ډول ترسره کړي ترڅو د مداخلارو دقیقه پروسس اسانه کړي کله چې پیښیږي.
all د اتومات سیسټمونه: دا مایکروکونټلر په اتومات سیسټمونو لکه د بریښنایی پردې، لاسرسي کنټرول سیسټمونه، د تودوخې کنټرول او د ر light ا کنټرول کې کارول کیدی شي.
un IT (د شیانو انټرنیټ) غوښتنلیک: که موږ اړتیا لرو د IOT وسیلو ته وده ورکړو، دا د I IST نوډونو لپاره د کنټرولر په توګه کارول کیدی شي ترڅو د میوو او مخابراتو انډولونو کنټرولولو لپاره د IET نوډونو لپاره د کنټرولر په توګه وکارول شي.
• شخصي بریښنایی وسایل: په ډیجیټل کیمرې، mp3 او MP3 او MP3 Consters Cunks، بریښنایی لوبې کنسول، او نور کارول کارول کیږي.
• بریښنایی تجهیزات: د مختلف بریښنایی تجهیزاتو رامینځته کولو لپاره کارول کیږي
، لکه بریښنایی لوبیا، لیرې کنټرولونه، مینی محاسب کونکي، او نور.
• صنعتي ساحه: په PLC، صنعتي کنټرولرانو کې کارول کیږي، د اتومات او کښتۍ اتومات کنټرول تجهیزات، او نور.
• د معلوماتو استملاک او سینسر انٹرفیس: د چاپیریال شرایطو راټولولو او ډیټا مداخله کول لکه د ر light ا سینسیس، د تودوخې سینسرونه.
• د کنټرول ځای ناستي سیسټم: لکه د کورنۍ وسایل، د بریښنا وسیلې، او داسې نور.
stm88s103f3p6 یو مایکروکاټلر چپ دی چې د سټیمیمیکرومروکس لخوا رامینځته شوی.دا د 8-بټ مایکروکیکونټلرونو سټلم بجو پورې اړه لري او په پراخه کچه د ترتیب شوي سیسټمونو او IT غوښتنلیکونو کې کارول کیږي.
stm88s103f3P6 مایکروکونټلر واحد 640 بټ روم لري، 10-BAT 55 چینجي ADC، 1kb رام او د 8KB یادونې اندازې لري.
موږ کولی شو د MSP430G253، FP160F184T سره، PRE16S103F3P3، STM8S103F3PR 1، STM8S103F3PR یا STM8S103F3PR.
هو، STM8S103F3P6 د ټیټ بریښنا ب features و سره ډیزاین شوی او د بیټرۍ په ځواک کې کارول کیدی شي چیرې چې د ماشوم موثریت لازمي دی.
د STM80s103f3p ځینې کلیدي ب features ې شامل دي د GPII (عمومي هدف) (نړیوال هدف) اړیکې، I2C (سریال پښه) مخابرات، I2C (سریال پښه
زموږ په اړه
هر ځل د پیرودونکي رضایت.متقابل اعتماد او ګډې ګټې.
د لیټیم سانک حجرو تخنیکي مشخصات C2354
2024-08-02
اتمګا 328 - pu مایکروکروټرور ته هراړخیز لارښود
2024-08-02
بریښنالیک: Info@ariat-tech.comHK Tel: +852 30501966اضافه کول: Rm 2703 27F هو کنگ کام مرکز 2-16 ،
فا یوین سټ مونګ کوک کولون ، هانګ کانګ.